Elevator Gearless Traction Machine SYM-01A

SYM-01A Series is SANYO standard PM gearless traction machine. It is very cost-effective, and is a classic model with largest sale & owership volume.

FEATURES

 

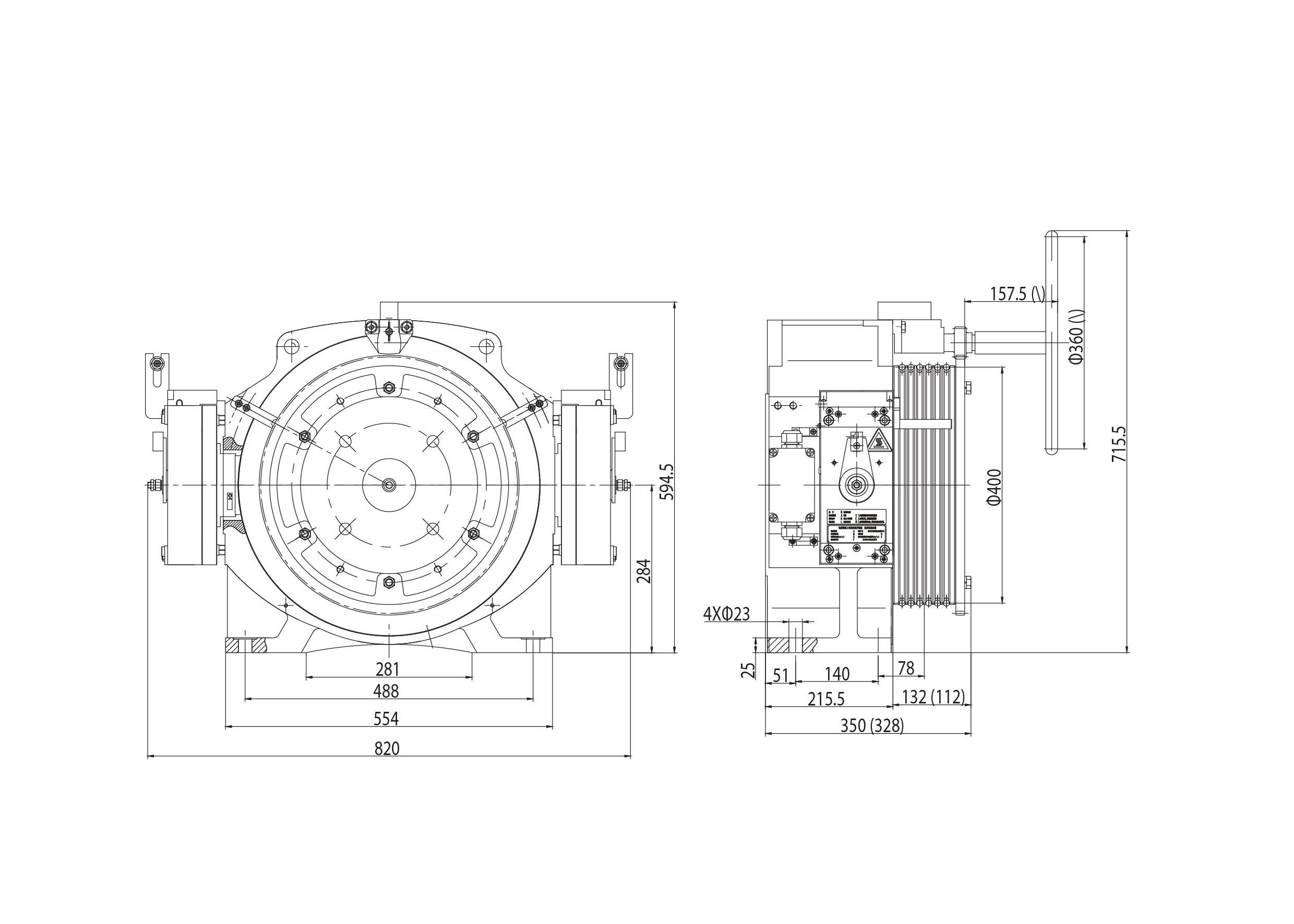
DIMENSION DRAWING

SPECIFICATION


MENU
PAGE TOP